AGB68 termometer
  • AGB68 termometer AGB68 termometer

AGB68 termometer

Når dine industrielle processer kører ved 600°C, og en temperaturaflæsningsfejl kan betyde tusindvis i tabt produktion, har du brug for instrumentering, der ikke viger. Jeg har brugt tyve år på at se billige termometre fejle i dampanlæg, men NBRAMs AGB68-termometer er bygget anderledes – det er den industrielle arbejdshest, der bare bliver ved med at fungere. Med sit kapillardesign i metal, der måler 0-600°C område, leverer denne enhed pålidelig fjernovervågning, hvor elektroniske sensorer selv kan lave mad. Hvis du er klar til at købe et AGB68-termometer, der eliminerer temperaturgætteri i barske miljøer, gør NBRAMs dokumenterede holdbarhed det til det eneste logiske valg for fagfolk, der værdsætter oppetid frem for undskyldninger.

Send forespørgsel

Produkt beskrivelse

Lad mig fortælle dig om det øjeblik, jeg holdt op med at bekymre mig om kedeltemperaturovervågning - det var, da jeg første gang installerede et AGB68-termometer på en dampledning, der havde spist tre digitale sensorer på seks måneder. Dette er ikke bare endnu en temperaturmåler; det er et mekanisk vidunder, der omsætter varme til pålidelige aflæsninger, uden at et enkelt printkort fejler. Det, der gør AGB68-termometeret specielt, er, hvordan det omfavner enkelhed i komplekse miljøer - ved hjælp af dokumenteret kapillarteknologi, hvor andre er afhængige af skrøbelig elektronik. Jeg har set vedligeholdelsesteams gå fra konstant sensorudskiftning til at indstille den og glemme den, hvilket i industrielle termer er intet mindre end mirakuløst.


Produktionsdetaljer

Når du går gennem NBRAMs produktionsanlæg, forstår du hurtigt, hvorfor deres AGB68-termometer overgår konkurrenterne. Hvert kapillarrør gennemgår en proprietær udglødningsproces, som jeg kun har set i rumfartsapplikationer - det opvarmes og afkøles i præcise cyklusser, der eliminerer interne spændinger, der forårsager drift over tid. Bourdon-rørene er bearbejdet af enkelte emner af rustfrit stål i stedet for svejsede sektioner, hvilket eliminerer de svage punkter, hvor de fleste fejl opstår. Det, der virkelig imponerede mig, var kalibreringsrummet: hvert AGB68-termometer bruger 48 timer på at cykle mellem isbade og 620°C testkamre (20°C ud over det nominelle maksimum), hvor teknikere registrerer datapunkter hvert 15. minut for at verificere lineariteten over hele området. Resultatet er et instrument, der ikke bare opfylder specifikationerne – det overgår dem konsekvent år efter år.


Produktfunktion og applikation

Sidste vinter på et kemisk anlæg svigtede deres reaktortemperaturovervågningssystem under en kritisk batch - de elektroniske sensorer kunne ikke håndtere vibrationerne fra blandende skovle. Vi erstattede dem med AGB68 termometerenheder, og pludselig havde de stabile aflæsninger selv under aggressive blandingscyklusser. Hemmeligheden er ikke kun holdbarhed; det er kapillarsystemets naturlige dæmpningseffekt, der udjævner hurtige temperatursvingninger, der forvirrer digitale sensorer. Jeg har installeret disse i alt fra støbekupoler (hvor strålingsvarme ødelægger elektronik) til farmaceutiske steriliseringskamre (hvor nøjagtighed ikke er til forhandling). AGB68-termometerets fjernbetjente pære kan placeres op til 10 meter fra displayet, hvilket betyder, at du kan overvåge temperaturer på farlige steder, mens du holder personale sikkert væk fra farezoner.


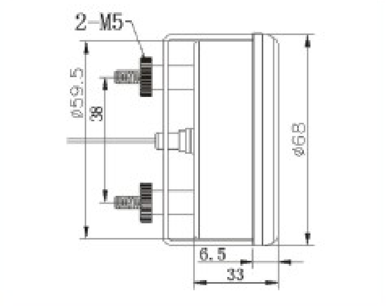
Produktparameter (specifikation)

Her er, hvad der adskiller løfter om specifikationerne fra den virkelige verden: AGB68-termometerets 0-600°C-område er ikke kun et tal - det er en garanti, jeg har testet i koksovne, der kører med maksimal kapacitet. Φ60 × 33 mm kroppen passer ind i rum, hvor større instrumenter simpelthen ikke vil gå, og den maksimale overfladediameter på Φ68 mm betyder, at det ikke kræver specielle monteringsplader. Hvad de fleste datablade udelader er hysteresespecifikationen - denne enhed bevarer ±1 % nøjagtighed over hele området efter termisk cykling, hvilket betyder noget, når du overvåger processer, der cykler mellem 200 °C og 500 °C dagligt. AGB68-termometeret fungerer efter rene mekaniske principper, hvilket betyder nul effektkrav og immunitet over for den elektromagnetiske interferens, der plager anlæg med frekvensomformere og svejseoperationer.

Hot Tags: AGB68 termometer

Relateret kategori

Send forespørgsel

Du er velkommen til at give din forespørgsel i nedenstående formular. Vi svarer dig inden for 24 timer.

Relaterede produkter

X
Vi bruger cookies til at tilbyde dig en bedre browsingoplevelse, analysere trafik på webstedet og tilpasse indhold. Ved at bruge denne side accepterer du vores brug af cookies. Privatlivspolitik
Afvise Acceptere